ÏÐÎÒÎÍ-ÝËÅÊÒÐÎÒÅÊÑ
ÒÈÏÛ ÊÎÐÏÓÑÎÂ ÌÎÄÓËÅÉ
Òèï A Òèï C
Òèï D Òèï E
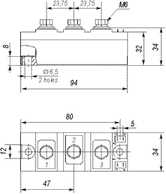
Òèï F
ÑÕÅÌÛ ÏÎÄÊËÞ×ÅÍÈÉ
Òèï ÌÄ3 Òèï ÌÄ4 Òèï ÌÄ5
Òèï ÌÒ3 Òèï ÌÒ4 Òèï ÌÒ5
Òèï ÌÒ/Ä3 Òèï ÌÒ/Ä4 Òèï ÌÒ/Ä5
Òèï ÌÄ/Ò3 Òèï ÌÄ/Ò4 Òèï ÌÄ/Ò5